| Sign In | Join Free | My wneducation.com |
|
Brand Name : Shareway
Model Number : FCT1-33D3SL
Certification : CE UL RoHS ISO9001:2008
Place of Origin : Guangdong China
MOQ : 100/500/1000
Price : Supportive
Payment Terms : TT,Paypal
Supply Ability : 3000K.PCS/Month
Delivery Time : Stock or 3 weeks
Packaging Details : Reel
Product name : FCT1-33D3SL Forward-Mode Transformers For 30 Watt Telecommunications
Bias winding output : 12 V
sync winding output : 5 V
Weight : 10.1 – 10.7 g
Core material : Ferrite
Ambient temperature : –40°C to +125°C
FCT1-33D3SL Forward-Mode Transformers For 30 Watt Telecommunications
Feature:
• Designed to meet 30 W PoE IEEE 802.3at-2009 standard.
• Operates at 250 kHz with 36 – 72 Volts input.
• 1500 Vrms, one minute isolation, primary and bias to secondary
• Bias winding output: 12 V; sync winding output: 5 V
Core material Ferrite
Terminations RoHS tin-silver over tin over nickel over phos bronze.
Other terminations available at additional cost.
Weight 10.1 – 10.7 g
Ambient temperature –40°C to +125°C
Storage temperature Component: –40°C to +125°C.
Tape and reel packaging: –40°C to +80°C
Resistance to soldering heat Max three 40 second reflows at
+260°C, parts cooled to room temperature between cycles
Moisture Sensitivity Level (MSL) 1 (unlimited floor life at <30°C /
85% relative humidity)
| Part number | Inductance min (μH) | DCR max (mOhms) | Leakage inductance max (μH) | Turns ratio | Output | Recommended output inductor | |||||
| pri | sec | bias | sync | pri : sec | pri : bias | pri : sync | |||||
| FCT1-33D3SL_ | 72.9 | 27.5 | 5.0 | 250 | 160 | 0.425 | 1 : 0.33 | 1 : 1 | 1 : 0.56 | 3.3 V, 9 A | SER2013-472 |
| FCT1-50D3SL_ | 72.9 | 27.5 | 10.0 | 250 | 160 | 0.420 | 1 : 0.44 | 1 : 1 | 1 : 0.56 | 5 V, 6 A | SER1360-103 |
| FCT1-120D3SL_ | 72.9 | 27.5 | 28.5 | 250 | 160 | 0.175 | 1 : 1 | 1 : 1 | 1 : 0.56 | 12 V, 2.5 A | MSS1278-563 |
| FCT1-195D3SL_ | 72.9 | 27.5 | 32.0 | 235 | 120 | 0.235 | 1 : 1.44 | 1 : 0.88 | 1 : 0.44 | 19.5 V, 1.55 A | MSS1278-154 |
| FCT1-240D3SL_ | 72.9 | 27.5 | 72.5 | 235 | 120 | 0.235 | 1 : 1.78 | 1 : 0.88 | 1 : 0.44 | 24 V, 1.25 A | MSS1278-224 |
FCT1-33D3SL Forward-Mode Transformers For 30 Watt Telecommunications
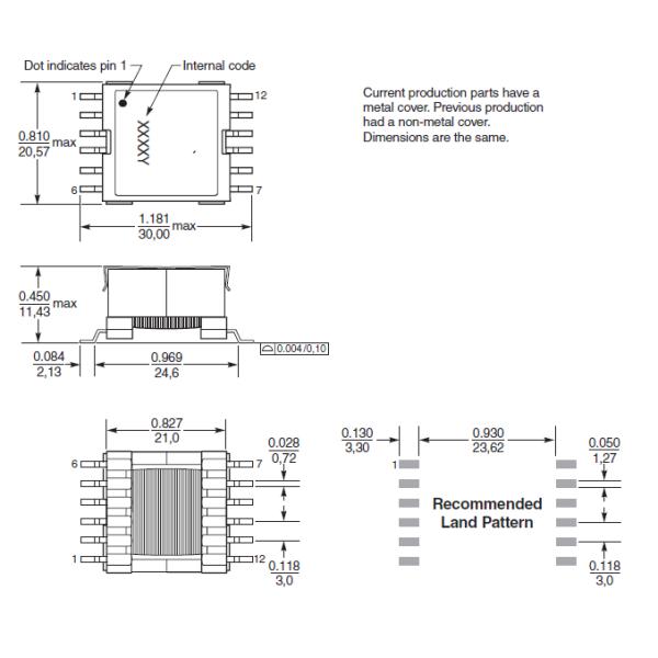
Shape and Dimensions:

Product picture:

|
|
FCT1-33D3SL Forward Mode Power Over Ethernet Transformer For 30 Watt Telecommunications Images |